聯系熱線
日本荏原実業株式會社 ME820S臭氧檢測儀特點介紹ME820 S型臭氧分析儀采用紫外吸收法,是一種安裝式臭氧分析儀,可在臭氧處理過程中測量臭氧濃度。這是一種測量臭氧排放的臭氧分析儀,它具有集成主要部件的一體化測量分析儀(部分部件安裝在外部...

465L臭氧分析儀紫外燈更換價格465L 型紫外光度監測儀是一款極其穩定的分析儀,是關鍵的低水平 ppm 安全和過程應用的理想選擇。其校準是NIST可追溯的,包括的壓力和溫度補償可確保在所有條件下的高精度。如果使用年限超過5年,想更換 M4...

Eco Sensors UV-100臭氧檢測儀如何用OG-3校準呢Eco Sensors UV-100校準可以相當準確地監測使用Eco Sensors OG-3校準檢查器,如果OG-3的校準被檢查和調整的精度在用戶的高度。OG-3在Eco...

CRIUS@4.0可以用作數據記錄器嗎?CRIUS?4.0可以將其所有參數(傳感器/控制器)記錄到可定制的數據日志中。數據日志間隔(存儲數據點的頻率)可以低至1分鐘,高至1小時。數據日志可以在CRIUS?4.0的圖表上查看,并顯示在主頁上。...

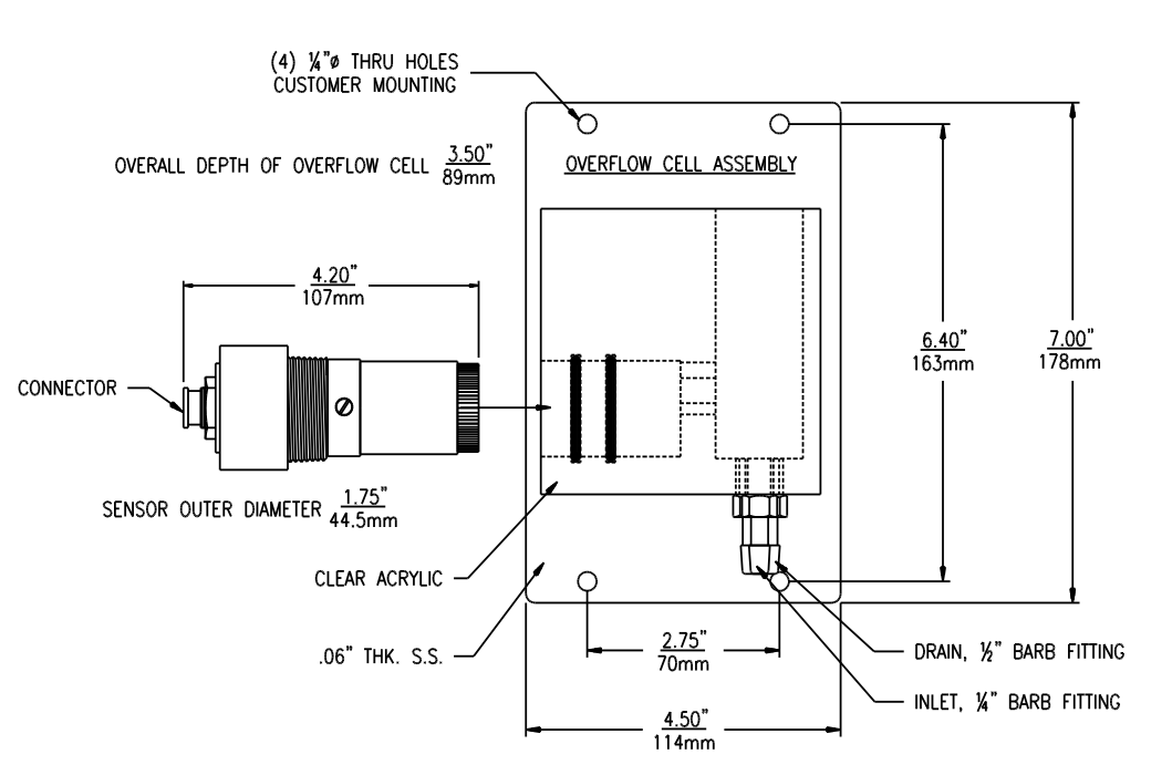
ATI Q46H/64溶解臭氧傳感器如何安裝在很大傳感器電纜長度范圍內選擇安裝傳感器流量單元的位置。恒水頭流量溶解臭氧傳感器很好用于恒水頭溢流室,因為樣品流量和壓力的變化會導致讀數不穩定。當監測低濃度(低于0.5 PPM)時,應始終使用該方...

梅特勒托利多pureO3 溶解臭氧傳感器規格溶解臭氧傳感器是一款為持續監測純水應用中臭氧而設計的分析儀。pureO3溶解臭氧傳感器采用的智能傳感器管理(ISM)技術利用預測性診斷簡化傳感器處理和改進對過程的控制。該溶解臭氧探頭將先進的設計特...

TAPI Model W1?溶解臭氧檢測儀連接示意圖W1與465L型臭氧分析儀結合,能夠不間斷測量水中溶解臭氧濃度。儀器使用水汽分離柱,臭氧讀數精準穩定,適合應用于飲用水處理、污水治理和去離子水處理過程中的臭氧測量。

美國TAPI IN USA? W1?水中臭氧檢測儀如何使用Teledyne API IN USA?品牌Model W1?是一種單點溶解臭氧測量系統,由傳遞柱和臭氧監測器組成(見圖1)。這種組合通過物理測量方法連續和選擇性地測量液體溶劑(通常...

美國2B POM臭氧監測儀如何操作要操作美國2B POM臭氧監測儀,請將其連接到外部電源,并通過打開電源開關為儀器供電。該儀器需要7- 12v直流電源,可以通過以下方式供電:1) 100- 240v交流電源適配器;2)點煙器適配器,插入12...
